Rete per battagliola saldata h60cm Saldata a rombi Venduta al metro N13000719550-0% Rete per battagliola saldata h60cm Saldata a rombi Venduta al metro N13000719550-0%

Riferimento: N13000719550

Marca: Monteisola Corde

Rete per battagliola saldata h60cm Saldata a rombi Venduta al metro N13000719550

(0)
Rete di protezione rinforzata per battagliole in poliestere bianco. Resistente alla salsedine del mare. Particolarmente indicata per proteggere le vele, sulle battagliole o come portaoggetti. Altezza 60 cm. Venduta al metro. Saldata a rombi.
2,50 € tasse incl.
2,05 € tasse escl.
Più Rete per battagliola saldata h60cm Saldata a rombi Venduta al metro N13000719550
In Stock

Riferimento: VTMACS7000

Marca: Vitrifrigo

Vitrifrigo MACS 7000 Sistemi di aria condizionata 230V 50Hz VTMACS7000

(0)
Sistemi di aria condizionata Vitrifrigo MACS 7000 7000 Btu/h 230V 50Hz con pannello di controllo incluso per raffrescare e riscaldare barche medio grandi, 245x188x64mm, 23kg. Il sistema è precaricato, di facile installazione, dotato di manuale per l'installazione.
2.421,70 € 1.574,11 € tasse incl.
1.985,00 € 1.290,25 € tasse escl.
Più Vitrifrigo MACS 7000 Sistemi di aria condizionata 230V 50Hz VTMACS7000
In Stock

Riferimento: N10502903526

Marca: Can-Sb Marine

Galleggiante Bianco con foro passante per Reti Corde Ø80/10mm N10502903526

(0)
Galleggiante bianco con foro passante per reti, corde, sci, corsie. Fabbricate in polipropilene soffiato e riempite di poliuretano espanso. Diametro esterno 80 mm. Diametro interno 10 mm.
1,39 € 1,32 € tasse incl.
1,14 € 1,08 € tasse escl.
Più Galleggiante Bianco con foro passante per Reti Corde Ø80/10mm N10502903526
In Stock
Tutte le migliori vendite
  • Prezzo scontato
  • Nuovo
Quick BT DC-AC 250-140 24V Doppia Elica Manovra 8kW 140kgf
  • Quick BT DC-AC 250-140 24V Doppia Elica Manovra 8kW 140kgf
  • Quick BT DC-AC 250-140 24V Doppia Elica Manovra 8kW 140kgf
  • Quick BT DC-AC 250-140 24V Doppia Elica Manovra 8kW 140kgf
  • Quick BT DC-AC 250-140 24V Doppia Elica Manovra 8kW 140kgf
  • Quick BT DC-AC 250-140 24V Doppia Elica Manovra 8kW 140kgf
  • Quick BT DC-AC 250-140 24V Doppia Elica Manovra 8kW 140kgf
  • Quick BT DC-AC 250-140 24V Doppia Elica Manovra 8kW 140kgf

Quick BT DC-AC 250-140 Doppia Elica di Manovra 24V 8kW 140kgf

QBTDCAC25024
Quick

Doppia elica di manovra Quick BT DC-AC 250-140 24V 8kW 140kgf, 361x250x373mm, 44,5kg, propulsori a motore senza spazzole, per imbarcazioni 14-19m.

6.184,79 €
4.020,11 € Risparmia 35%
Tasse incluse
Spedizione da Magazzino Logistico Italia o Europa in 5-12 giorni lavorativi salvo diversamente specificato nella descrizione del prodotto stesso
Quantità
In Stock
100 Articoli

Descrizione

Quick BT DC-AC 250-140 Doppia Elica di Manovra 24V Ø250 8kW 140kgf

Le BT DC AC serie sono una gamma di eliche con motore elettrico trifase asincrono senza spazzole, il motore viene comandato da un motor controller che deve essere installato nelle vicinanze del motore. Le parti a contatto con l'acqua sono di materiale idoneo, come il riduttore realizzato in una lega di bronzo alluminio, l'anodo è in alluminio e l'asse di uscita in acciaio inox. Le eliche possono essere in materiale plastico o in bronzo alluminio in base al modello.
Progettata per eseguire le operazioni di avvicinamento alla banchina in fase di ormeggio, è costruita con materiali di alta qualità che garantiscono robustezza, efficienza e lunga durata. Un dispositivo ideale per affrontare con tranquillità anche le condizioni marine più impegnative.

Caratteristiche principali
• Senza spazzole al carbone
• Basso consumo
• Funzionamento silenzioso
• Controllo proporzionale di serie
• Tempo di esecuzione illimitato
• Facile installazione

Dati tecnici:
Modello: BT DC-AC 250-140
Tipo Elica: Elica Doppia Controrotante
Ø Tunnel: 250 mm
Potenza motore: 8 Kw
Tensione: 24V
Spinta: 140 Kgf
Peso: 44,5 kg
Dimensioni: 361x250x373 mm
Lunghezza imbarcazione (2): 14-19 m

(2) ATTENZIONE: L'indicazione può variare in base al tipo di imbarcazione.

⚠️ Attenzione: Questo articolo viene assemblato direttamente dal produttore al momento dell'ordine. Consegna in circa 10-15 giorni lavorativi; nei mesi di luglio, agosto e dicembre potrebbero verificarsi piccoli ritardi. Vi terremo sempre aggiornati sullo stato dell’ordine.

Dettagli del prodotto
QBTDCAC25024
100 Articoli

Riferimenti Specifici

ean13
8057090234169
MPN
QBTDCAC25024
Documenti Allegati
Scarica
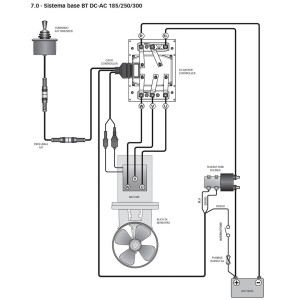
Quick BT DC-AC 185-300

Manuale Quick BT DC-AC 185-300 Eliche di manovra

Scarica (3.54MB)
Commenti (0)
Valutazione
Ancora nessuna recensione da parte degli utenti.
3 altri prodotti della stessa categoria:

Riferimento: QBTDCAC18524

Marca: Quick

Quick BT DC-AC 185-105 Doppia Elica di Manovra 24V 6300W 105kgf

(0)
Doppia elica di manovra Quick BT DC-AC 185-105 24V 6300W 105kgf, 345x185x265mm, 28kg, propulsori a motore senza spazzole, per imbarcazioni 9-15m.
6.406,22 € 4.164,04 € tasse incl.
5.251,00 € 3.413,15 € tasse escl.
Più Quick BT DC-AC 185-105 Doppia Elica di Manovra 24V 6300W 105kgf
In Stock

Riferimento: QBTDCAC30048N

Marca: Quick

Quick BT DC-AC 300-300 NiBrAl Doppia Elica di Manovra 48V 15kW 300kgf

(0)
Doppia elica di manovra Quick BT DC-AC 300-300 NiBrAl 48V 15kW 300kgf, 361x300x434mm, 64,1kg, propulsori a motore senza spazzole, per imbarcazioni 20-30m.
10.749,42 € 6.987,12 € tasse incl.
8.811,00 € 5.727,15 € tasse escl.
Più Quick BT DC-AC 300-300 NiBrAl Doppia Elica di Manovra 48V 15kW 300kgf
In Stock

Riferimento: QBTDCAC30048

Marca: Quick

Quick BT DC-AC 300-300 Doppia Elica di Manovra 48V 15kW 300kgf

(0)
Doppia elica di manovra Quick BT DC-AC 300-300 48V 15kW 300kgf, 361x300x434mm, 57,1kg, propulsori a motore senza spazzole, per imbarcazioni 20-30m.
9.431,21 € 6.130,29 € tasse incl.
7.730,50 € 5.024,83 € tasse escl.
Più Quick BT DC-AC 300-300 Doppia Elica di Manovra 48V 15kW 300kgf
In Stock

Seguici su Facebook